Downloads & Software-Updates


Category

暗装式插芯

关闭开关 2 芯

翘板开关内芯接线图,用于关断 2 极

订购号 0102 00

PDF, 15 Kb

下载

语言版本

关闭开关 3 极

翘板开关内芯接线图,用于关断 3 极

订购号 0103 00

PDF, 16 Kb

下载

语言版本

串联开关

翘板开关内芯接线图,用于串联开关

订购号 0105 00

PDF, 12 Kb

下载

语言版本

通用双联开关

翘板开关内芯接线图,用于关断 1 极

订购号 0106 00

PDF, 12 Kb

下载

语言版本

中途转换开关

翘板开关内芯接线图,用于中途转换

订购号 0107 00, 0106 00

PDF, 16 Kb

下载

语言版本

切换开关

翘板开关内芯接线图,用于切换/切换开关

订购号 0108 00

PDF, 20 Kb

下载

语言版本

通用双联开关

翘板控制开关内芯接线图,带霓虹灯元件,用于通用双联开关

订购号 0116 00

PDF, 13 Kb

下载

语言版本

关闭开关 2 芯

拉绳开关/拉绳按键内芯接线图,用于关断 2 极

订购号 0142 00

PDF, 13 Kb

下载

语言版本

开关/切换开关 2 极

钥匙开关内芯接线图,用于开关/切换百叶窗控制 2 极

订购号 0144 00

PDF, 19 Kb

下载

语言版本

串联开关

翘板控制开关内芯接线图,带 LED,用于串联开关功能

订购号 0145 00

PDF, 15 Kb

下载

语言版本

通用双联开关

拉绳开关/拉绳按键内芯接线图,用于通用双联开关

订购号 0146 00

PDF, 19 Kb

下载

语言版本

三档开关

三档开关内芯接线图

订购号 0149 00

PDF, 20 Kb

下载

语言版本

常开触点 1 极带零线端子

翘板按钮内芯接线图,用于带零线端子的常开触点功能

订购号 0150 00

PDF, 17 Kb

下载

语言版本

常开触点 1 极

翘板按钮内芯接线图,用于常开触点功能 1 极

订购号 0151 00

PDF, 13 Kb

下载

语言版本

常开触点 1 极,带独立信号触点

翘板按钮内芯接线图,用于带独立信号触点的常开触点功能 1 极

订购号 0152 00

PDF, 15 Kb

下载

语言版本

组按键/开关 1 极

翘板式百叶窗按键/开关内芯接线图,用作百叶窗控制 230 V 辅助单元 + 辅助单元 1 极

订购号 0154 00, 0398 00

PDF, 22 Kb

下载

语言版本

切换开关/切换按键

翘板按钮内芯接线图,用于切换/切换开关

订购号 0155 00

PDF, 69 Kb

下载

语言版本

切换开关 1 极

翘板按钮内芯接线图,用于切换开关 1 极

订购号 0156 00

PDF, 14 Kb

下载

语言版本

按键/开关 2 极

翘板式百叶窗开关/翘板按钮内芯接线图,用于百叶窗开关 2 极

订购号 0157 00

PDF, 20 Kb

下载

语言版本

按键

翘板式百叶窗开关/翘板按钮内芯接线图,用于按键功能

订购号 0158 00

PDF, 21 Kb

下载

语言版本

开关

翘板式百叶窗开关/翘板按钮内芯接线图,用于开关功能

订购号 0159 00

PDF, 14 Kb

下载

语言版本

按键/切换开关 1 极

钥匙开关内芯接线图,用于百叶窗控制按键/切换开关 1 极

订购号 0163 00

PDF, 17 Kb

下载

语言版本

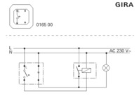
常开触点,1 极,带独立信号触点

拉绳按键内芯接线图,用于带独立信号触点的常开触点功能 1 极

订购号 0165 00

PDF, 20 Kb

下载

语言版本

带旋转开关的调速器旋转开关

调速器旋转开关及旋转关闭开关内芯接线图,带旋转开关功能

订购号 0314 00

PDF, 20 Kb

下载

语言版本

定时器 2 极

定时器内芯接线图,用于定时切换 2 极

订购号 0320 00, 0321 00

PDF, 13 Kb

下载

语言版本

按键 3 位 1 极

翘板按钮内芯接线图,用于按键功能 3 位 1 极

订购号 2844 ..

PDF, 21 Kb

下载

语言版本